原理图库
| 库名称 | 规格型号 | 下载积分 | 操作 |
|---|---|---|---|
| OPA855IDSGR.OLB | Orcad | 免费 | 登录后可下载 |
| OPA855IDSGR.SchLib | Altium | 免费 | 登录后可下载 |
| OPA855IDSGR.p | PADS | 免费 | 登录后可下载 |
| 暂未上传 | Mentor EE | 暂未上传 | 暂未上传 |
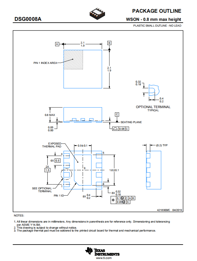
PCB封装库
| 库名称 | 规格型号 | 下载积分 | 操作 |
|---|---|---|---|
| wson8-0r50-2r00x2r00ep1r60x0r90.dra | Allegro | 免费 | 登录后可下载 |
| WSON8-0R50-2R00X2R00EP1R60X0R90.PcbLib | Altium | 免费 | 登录后可下载 |
| WSON8-0R50-2R00X2R00EP1R60X0R90.d | PADS | 免费 | 登录后可下载 |
| 暂未上传 | Mentor EE | 暂未上传 | 暂未上传 |
3D模型库
| 库名称 | 规格型号 | 下载积分 | 操作 |
|---|---|---|---|
| 暂未上传 | 3D 模型 | 暂未上传 | 暂未上传 |
最热下载
最热新载
关注微信公众号




